環球電機分析電機自耦降壓的發動原理:電機發動時運用自耦變壓器來下降加在電動機定子繞組上的發動電壓。待電動機發動后,再使電動機與自耦變壓器脫離,從而在全壓下正常運動,從而完成電機的降壓發動。
電機自耦降壓發動接線圖,適用于任何接法的三相異步電動機,能夠按允許的發動電流和所需的發動轉矩來挑選自耦變壓器的不一樣抽頭完成降壓發動,并且不管電動機的定子繞組選用Y 或Δ接法都能夠運用,自耦變壓器的功率應予電動機的功率共同,假如小于電動機的功率,自耦變壓器會因起動電流大發熱損壞絕緣焚毀繞組。但電機自耦變壓器降壓發動所需設備體積大,出資較貴。
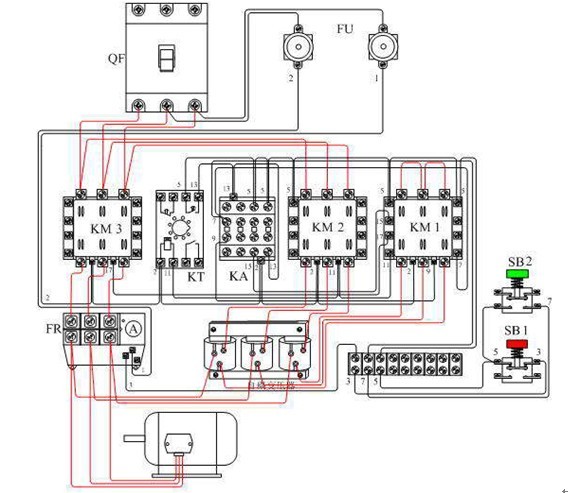
電機自耦降壓發動接線圖如下:

如上述電機自耦降壓發動接線圖對照原理圖核對接線,要逐相的查看核對線號。避免接錯線和漏接線。在電機自耦降壓發動時應留意:
1、空載實驗;拆下熱繼電器FR與電動機端子的聯接線,接通電源,按下SB2起動KM1與KM2和動作吸合,KM3與KA不動作。時刻繼電器的整定時刻到,KM1和KM2釋放,KA和KM3動作吸合切換正常,重復實驗幾次查看線路的可靠性。
2、再次發動;自耦降壓起動電路不能頻頻操作,假如發動不成功的話,第2次起動應距離4分鐘以上,入在60秒接連兩次起動后,應停電4小時再次發動運轉,這是為了避免自耦變壓器繞組內發動電流太大而發熱損壞自耦變壓器的絕緣。
3、因為發動電流很大,應認真查看主回路端子接線的壓接是不是牢固,無虛接現象。
4、帶電動機實驗;經空載實驗無誤后,康復與電動機的接線。再帶電動機實驗中應留意發動與運轉的接換進程,留意電動機的聲響及電流的改變,電動機起動是不是艱難有無異常情況,如有異常情況應立即泊車處理。
標簽:東莞電機,東莞電機廠,廣東電機,廣東電機廠,注塑電機,環球電機,東莞電機有限公司
官網:www.em-studios.com




